|
|
|
 |
|
Specification |
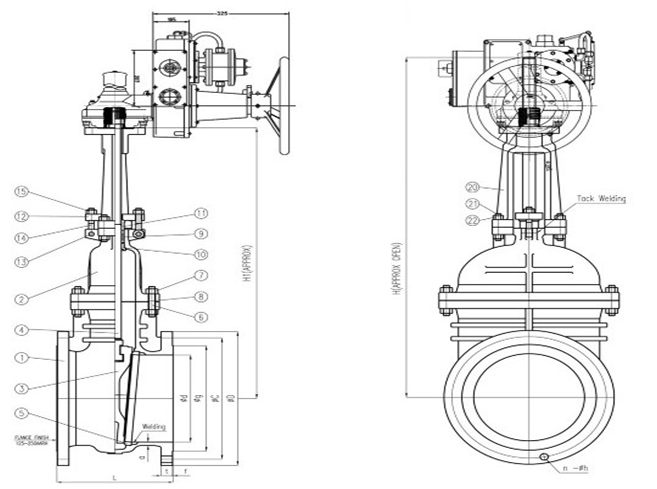
Valve Size |
50A ~ 500A |
Material |
Body : SCS13(A351-CF8)/SCS14 (A351-CF8M)
Disc : SCS13(A351-CF8)/SCS14 (A351-CF8M)
Seat : STS304+STL/STS316+STL |
Rating |
JIS(RF) 10K / 20K & ANSI 150# / 300# |
Operating Media |
TOP HANDLE, AIR MOTOR |
Fluid Temperature |
-40℃ ~ 120℃ |
Acc'y(선택사양) |
S/V, H/V, S/C, A/S, M/V, A/U |
|
|
 |
|
Dimension |
Unit : mm |
Model |
Size(A) |
L |
Ød |
ØG |
ØC |
t |
f |
H1 |
TVAG-50A |
50 |
178 |
51 |
92 |
120 |
16 |
2 |
320 |
TVAG-65A |
65 |
190 |
64 |
105 |
140 |
18 |
2 |
381 |
TVAG-80A |
80 |
203 |
76 |
127 |
150 |
18 |
2 |
450 |
TVAG-100A |
100 |
229 |
102 |
157 |
175 |
18 |
2 |
540 |
TVAG-125A |
125 |
254 |
127 |
186 |
210 |
20 |
2 |
650 |
TVAG-150A |
150 |
267 |
152 |
216 |
240 |
22 |
2 |
724 |
TVAG-200A |
200 |
292 |
203 |
270 |
290 |
22 |
2 |
930 |
TVAG-250A |
250 |
330 |
254 |
324 |
355 |
24 |
2 |
1175 |
TVAG-300A |
300 |
356 |
305 |
381 |
400 |
24 |
3 |
1245 |
TVAG-350A |
350 |
381 |
337 |
413 |
445 |
26 |
3 |
1355 |
TVAG-400A |
400 |
406 |
387 |
470 |
510 |
28 |
3 |
1410 |
TVAG-450A |
450 |
432 |
438 |
533 |
565 |
30 |
3 |
1650 |
TVAG-500A |
500 |
457 |
489 |
584 |
620 |
30 |
3 |
1865 |
|
|
|